We wanted to let you know how we use cookies on our site. Click Here to view our full cookie policy.We use cookies to enhance your site experience and for functionality. By continuing to use this site you consent to our use of cookies.
Categories

New Towers

Marley Field Erected Tower Parts

Parts Warehouse

Repair & Reconstruction

Price & Design

Rental Towers

Company Info

Free Tools


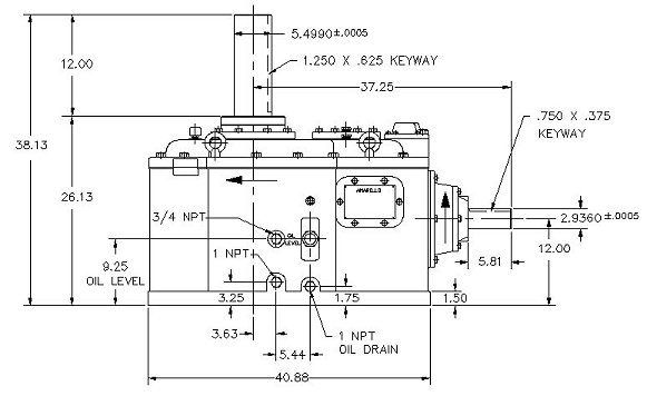
Amarillo 1713 Double Reduction Gearbox
Amarillo 1713 Double Reduction Gearbox

Optional Accessories

  • Call For Pricing Electric Oil Pump
  • Call For Pricing Non-Reverse
  • Call For Pricing Mechanical Oil Pump
  • Call For Pricing Oil Heater and Thermostat
  • Call For Pricing Pressure Switch
  • Call For Pricing Oil Filter
  • Call For Pricing Oil Level Switch
  • Call For Pricing Export Box
  • Call For Pricing 304S.S. Ball Valve

Amarillo 1713 Double Reduction Gearbox

CTD-1713

This is the standard right angle, double reduction gearbox. This gearbox is good for a maximum rating of 392 HP. The CTD-1713 gearbox is available with custom input and output shafts as well as many other options.

Please see the ratio chart for available ratios.

Online Sale Price

$42,487.33 Each


  • SpecificationsSpecifications...
  • SpecificationsMaintenance Ma...
  • Printable VersionPrintable Version
  • Email This Page


Nominal Ratio 11 11.5 12 12.5 13 14*15* 15.5 16* 17* 18 19 20
Exact Ratio 11.2 11.71 12.27 12.27 13.13 13.82 15.11 15.48 16.03 17.34 18.27 18.58 20.13
1750 RPM 390 232 310 300 294 285 272 262 250 241
1450 RPM 323 268 257 249 244 236 225 217 207 200

* Choose models & Ratios oulined in area for standard price and delivery. Contact us for all others.